Regler og Retningslinjer Læs her
Hjælp til hjemmelavet skummer.
-
JonasM
- Foxface

- Reactions: 0
- Indlæg: 358
- Tilmeldt: tirs 28. nov 2006 21:47
- 19
- Postnummer: 2500 Valby
- Saltvand siden?: 2008
- Geografisk sted: Valby
Hjælp til hjemmelavet skummer.
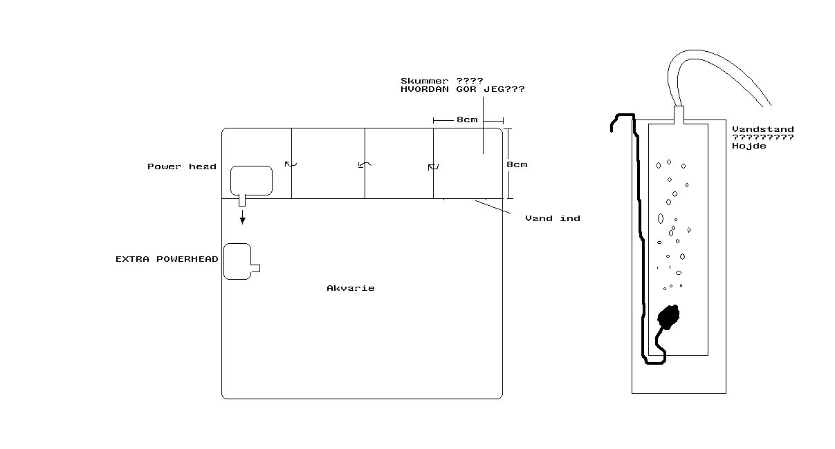
Hej alle.
Jeg fik af vide det var muligt at lave en skummer ud af såden en man bruger til at rense bunden med og så en luftpumpe.
Men er der noger der kan hjælpe mig lidt.??
1 Hvor høj skal vandstanden i cylinderen være?
2 Skal luftstenen være noget bestemt sted i cylinderen?
3 Det skum der skummes af hvordan får jeg det over i en anden beholder??
På forhånd tak.
Jeg fik af vide det var muligt at lave en skummer ud af såden en man bruger til at rense bunden med og så en luftpumpe.
Men er der noger der kan hjælpe mig lidt.??
1 Hvor høj skal vandstanden i cylinderen være?
2 Skal luftstenen være noget bestemt sted i cylinderen?
3 Det skum der skummes af hvordan får jeg det over i en anden beholder??
På forhånd tak.
- Vedhæftede filer
-
- <her er en tegning af hvordan jeg har prøvet at få det til at virke.
- tegning.jpg (32.2 KiB) Vist 2564 gange
- BS
- Rev haj

- Reactions: 0
- Indlæg: 2109
- Tilmeldt: tors 21. jul 2005 15:40
- 20
- Postnummer: Ikke angivet
- Saltvand siden?: 2008
- Geografisk sted: 23193 Skegrie
- Kontakt:
Jeg forstår ganske enkelt ikke hvorfor man ønsker at spare på sin skummer. Som stort set alle nævner er det hjertet i dit akvarie og er en stor medspiller i om dit akvarie kommer til at køre eller køre godt.
En god skummer kan købes til ret begrænsede penge. Tit sælges de brugte og i god kvalitet.
En god skummer kan købes til ret begrænsede penge. Tit sælges de brugte og i god kvalitet.
Mvh Brian
http://www.fotob.dk
Mit akvarie http://www.saltvandsforum.dk/viewtopic.php?t=6320
Når et slagteri skal spare, skærer de så i deres medarbejdere?
http://www.fotob.dk
Mit akvarie http://www.saltvandsforum.dk/viewtopic.php?t=6320
Når et slagteri skal spare, skærer de så i deres medarbejdere?
-
JonasM
- Foxface

- Reactions: 0
- Indlæg: 358
- Tilmeldt: tirs 28. nov 2006 21:47
- 19
- Postnummer: 2500 Valby
- Saltvand siden?: 2008
- Geografisk sted: Valby
Jeg har heller ikke noget imod at ofre penge på den, men akvariet er købt med et indbygget filtersystem.
Så troede derfor ikke den var nødvendig, men har fundet ud af at jeg gerne vil have en i men den skal jo bare passe i overløbet:)
Er der nogen der har målene på den der berlin skummer??
Akvariet er et 37 L fra akvarieudstyr.
Så troede derfor ikke den var nødvendig, men har fundet ud af at jeg gerne vil have en i men den skal jo bare passe i overløbet:)
Er der nogen der har målene på den der berlin skummer??
Akvariet er et 37 L fra akvarieudstyr.
- BS
- Rev haj

- Reactions: 0
- Indlæg: 2109
- Tilmeldt: tors 21. jul 2005 15:40
- 20
- Postnummer: Ikke angivet
- Saltvand siden?: 2008
- Geografisk sted: 23193 Skegrie
- Kontakt:
Har ingen erfaring med andre end min egen skummer. Men synes da at have læst om en skummer du kan have hængende på siden af akvariet der blot har en "snabel" ned i dit overløb. Men der er andre herinde der har bedre erfaringer med de mindre skummere og akvarie. Held og lykke med dit projekt.
Mvh Brian
http://www.fotob.dk
Mit akvarie http://www.saltvandsforum.dk/viewtopic.php?t=6320
Når et slagteri skal spare, skærer de så i deres medarbejdere?
http://www.fotob.dk
Mit akvarie http://www.saltvandsforum.dk/viewtopic.php?t=6320
Når et slagteri skal spare, skærer de så i deres medarbejdere?
-
kaan
- Reactions: 0
En skummer er en meget simpel indretning som du sagtens kan lave selv.
Et eksempel kunne være som her: http://reefcentral.com/diy/frac.htm
Men når nu akvariet er så lille er der nok ikke nogen grund til at have en skummer på. Jævntlige vandskift vil være at fortrække.
Et eksempel kunne være som her: http://reefcentral.com/diy/frac.htm
Men når nu akvariet er så lille er der nok ikke nogen grund til at have en skummer på. Jævntlige vandskift vil være at fortrække.
- mads-fisk
- Rev haj

- Reactions: 0
- Indlæg: 3794
- Tilmeldt: tors 29. jul 2004 23:28
- 21
- Postnummer: 2400 København NV
- Saltvand siden?: 2003
- Geografisk sted: 2400, KBH. NV,
- Kontakt:
Hvis du har/planlægger at få fisk i, er jeg dybt uenig med "kaan".
At fjerne proteiner er mindst lige så nødvendigt i et lille akvarium, som i et stort!
Mener godt en AM miniflotor vil kunne være der. - i hvert fald i forhold til dens diameter. Hvor høj en vandstand er der i kammeret?
At fjerne proteiner er mindst lige så nødvendigt i et lille akvarium, som i et stort!
Mener godt en AM miniflotor vil kunne være der. - i hvert fald i forhold til dens diameter. Hvor høj en vandstand er der i kammeret?
-Mads
Indehaver af AcroFarm DK
Indehaver af AcroFarm DK
- mads-fisk
- Rev haj

- Reactions: 0
- Indlæg: 3794
- Tilmeldt: tors 29. jul 2004 23:28
- 21
- Postnummer: 2400 København NV
- Saltvand siden?: 2003
- Geografisk sted: 2400, KBH. NV,
- Kontakt:
Dvs. et partikelfilter?JonasM skrev:Altså det er sådan noget lidt vat agtigt noget vandet bare løber igennem.
En skummer og et partikelfilter kan ikke erstatte hinanden. Et partikelfilter opsamler større partikler, der skylles ud af filtret under en løbende hane en gang om ugen. En skummer opsamler proteiner.
-Mads
Indehaver af AcroFarm DK
Indehaver af AcroFarm DK
- Hvam
- Rev haj

- Reactions: 0
- Indlæg: 4736
- Tilmeldt: ons 12. okt 2005 12:58
- 20
- Postnummer: 8541 Skødstrup
- Saltvand siden?: 2005
- Geografisk sted: Skødstrup "Uptown"
Det kan nemt lade sig gører, barner har på forumet har kørt med en slam støvsuger som skummer på et 56L over 1 år.1 Hvor høj skal vandstanden i cylinderen være?
2 Skal luftstenen være noget bestemt sted i cylinderen?
3 Det skum der skummes af hvordan får jeg det over i en anden beholder??
Så var der lige dine spørsmål:
1. vandstanden er efter hvor kræftig din luftpumpe er og hvor slidt din træluftsten er. selve skummern skal justeres så der kun kommer toppen af skummet med i salngen altså det brune.
2. Luftstenen skal side i den nederste halvdel.
3. Skumet drives gemmen slangen sammen med luften og med til en dunk der sider en del laver.
Men det vil spare dig for en masse timer at købe en færdi skummer, det er helt klart også det sikerste.
Det vil også værer en fordel hvis du har luftstenen i et lille rør inde i skummern.
Når fatter er sur og vranten og gnaven, skal han blot have lidt ekstra kræs i maven!
Nyt 860l projekt www.saltvandsforum.dk/viewtopic.php?t=15941&highlight=
Mit opdært af klovne www.saltvandsforum.dk/viewtopic.php?f=3&t=30935
Nyt 860l projekt www.saltvandsforum.dk/viewtopic.php?t=15941&highlight=
Mit opdært af klovne www.saltvandsforum.dk/viewtopic.php?f=3&t=30935

