Regler og Retningslinjer Læs her

Hjælp til pålodning af relæ

Forum hvor du kan læse og dele gør-det-selv tips og ideer.
Besvar
Brugeravatar
S1m0n
Rev haj
Rev haj
Reactions: 35
Indlæg: 1378
Tilmeldt: lør 28. feb 2009 01:09
17
Postnummer: 9000 Aalborg
Saltvand siden?: 2009
Geografisk sted: Aalborg

Hjælp til pålodning af relæ

#1

Indlæg af S1m0n »

Har på mit DIY osmolator kit glemt at sætte et relæ på, Hvilket jeg gerne vil ha gjort for at sikre mig flyderen ikke brænder sammen :)

Men er helt blank på hvilke ledninger der skal loddes på hvor for at det fungere..
Jeg har
12v omformer
Flyder
12v pumpe

Tegningen over relæet ser således ud, Hvis der skulle side en der havde lidt tid til overs som ville tegne ind hvordan tingene skulle loddes på relæet ville min dag være redet :)
sdfzsdfsd.jpg
sdfzsdfsd.jpg (8.5 KiB) Vist 2078 gange
Livet er simpelt - Man træffer beslutninger og ser sig ikke tilbage!
Brugeravatar
S1m0n
Rev haj
Rev haj
Reactions: 35
Indlæg: 1378
Tilmeldt: lør 28. feb 2009 01:09
17
Postnummer: 9000 Aalborg
Saltvand siden?: 2009
Geografisk sted: Aalborg

Re: Hjælp til pålodning af relæ

#2

Indlæg af S1m0n »

Slet ikke en der lige kunne hjælpe? :)
Livet er simpelt - Man træffer beslutninger og ser sig ikke tilbage!
LasseP
Grøn Chromis
Grøn Chromis
Reactions: 0
Indlæg: 40
Tilmeldt: fre 6. aug 2010 11:20
15
Postnummer: 8900 Randers
Saltvand siden?: 2010

Re: Hjælp til pålodning af relæ

#3

Indlæg af LasseP »

Hej.. Hvad skal den gøre? Starte pumpen når flyderen er aktiveret?

I så fald skal du køre plus på flyderen og mellemledningen fra flyderen til A1 på relæet, og minus på relæet's A2
Plus ledning på 11 og mellemledning fra 14 til pumpen.
Brugeravatar
S1m0n
Rev haj
Rev haj
Reactions: 35
Indlæg: 1378
Tilmeldt: lør 28. feb 2009 01:09
17
Postnummer: 9000 Aalborg
Saltvand siden?: 2009
Geografisk sted: Aalborg

Re: Hjælp til pålodning af relæ

#4

Indlæg af S1m0n »

Det forstod jeg desværre ikke en brik af :)
Men ja det skal være sådan at pumpen starter når flyderen aktiveres selvfølgelig :)

Grunden til dette relæ er kun af min 12v omformer levere 2amp da pumpen skal bruge dette for at fungere, Men flyderen kan kun klare 0.2amp. Så derfor et relæ imellem :)
Livet er simpelt - Man træffer beslutninger og ser sig ikke tilbage!
Brugeravatar
dybet
Palet kirurg
Palet kirurg
Reactions: 0
Indlæg: 237
Tilmeldt: tirs 5. jan 2010 16:09
16
Postnummer: 7000 Fredericia
Saltvand siden?: 2002

Re: Hjælp til pålodning af relæ

#5

Indlæg af dybet »

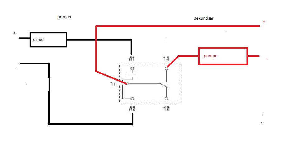
vil gætte på det er sådan? :wink:
Vedhæftede filer
grafik.png
LasseP
Grøn Chromis
Grøn Chromis
Reactions: 0
Indlæg: 40
Tilmeldt: fre 6. aug 2010 11:20
15
Postnummer: 8900 Randers
Saltvand siden?: 2010

Re: Hjælp til pålodning af relæ

#6

Indlæg af LasseP »

Flyderen brænder ikke af fordi omformeren levere 2Amp, flyderen trækker jo kun det strøm den skal bruge, hvis den skulle trække mere, er det fordi der er sket en kortslutning, så kan du jo bare sætte en sikring imellem for at være sikker.
Brugeravatar
dybet
Palet kirurg
Palet kirurg
Reactions: 0
Indlæg: 237
Tilmeldt: tirs 5. jan 2010 16:09
16
Postnummer: 7000 Fredericia
Saltvand siden?: 2002

Re: Hjælp til pålodning af relæ

#7

Indlæg af dybet »

lasseP, tror han mener ;) at pumpen og osmolatoren ikke kan være i samme kredsløb, da osmolatoren kun tillader 0,2 amp igennem, mens pumpen trækker 2 amp.

så springer osmolatoren , ligesom en sikring, hvis pumpen trækker mere end 0,2a.
Brugeravatar
S1m0n
Rev haj
Rev haj
Reactions: 35
Indlæg: 1378
Tilmeldt: lør 28. feb 2009 01:09
17
Postnummer: 9000 Aalborg
Saltvand siden?: 2009
Geografisk sted: Aalborg

Re: Hjælp til pålodning af relæ

#8

Indlæg af S1m0n »

må altså ærligt indrømme at jeg ikke forstår ret meget af den tegning da ikke kan se hvor alle ledningerne er ført hen i kredsløbet ? :(
Livet er simpelt - Man træffer beslutninger og ser sig ikke tilbage!
Brugeravatar
dybet
Palet kirurg
Palet kirurg
Reactions: 0
Indlæg: 237
Tilmeldt: tirs 5. jan 2010 16:09
16
Postnummer: 7000 Fredericia
Saltvand siden?: 2002

Re: Hjælp til pålodning af relæ

#9

Indlæg af dybet »

forstår ikke helt hvad du ikke forstår? :)

osmolatoren (primær) og rælet (sekundær) er jo begge bare kontakter der åbner eller lukket hver deres kredsløb.
tripper osmolatoren så løber der en strøm igennem a1 til a2, så relæet tripper, og åber for strømmen 11 igennem 14 og driver pumpen.
Brugeravatar
M.G.Larsen
Dværg kejser
Dværg kejser
Reactions: 0
Indlæg: 126
Tilmeldt: ons 3. mar 2010 12:13
16
Postnummer: 4050 Skibby
Saltvand siden?: 2010
Geografisk sted: Skibby

Re: Hjælp til pålodning af relæ

#10

Indlæg af M.G.Larsen »

S1m0n skrev:må altså ærligt indrømme at jeg ikke forstår ret meget af den tegning da ikke kan se hvor alle ledningerne er ført hen i kredsløbet ? :(

Det kan egentlig ikke forklares bedre eller simplere end på den tegning.

De ledninger du ser gå ud af billedet, har han illustreret med plus og minusser. Det betyder at du skal koble dem til din omformer, så de får 12V...

Så har du 1 kredsløb der kun trækker relæet og bliver belastet med minimal strøm, og 1 der kører over relæets kontaktsæt til at trække pumpen på de 2 amp.
Brugeravatar
dybet
Palet kirurg
Palet kirurg
Reactions: 0
Indlæg: 237
Tilmeldt: tirs 5. jan 2010 16:09
16
Postnummer: 7000 Fredericia
Saltvand siden?: 2002

Re: Hjælp til pålodning af relæ

#11

Indlæg af dybet »

fandt du ud af det ? :)
Brugeravatar
S1m0n
Rev haj
Rev haj
Reactions: 35
Indlæg: 1378
Tilmeldt: lør 28. feb 2009 01:09
17
Postnummer: 9000 Aalborg
Saltvand siden?: 2009
Geografisk sted: Aalborg

Re: Hjælp til pålodning af relæ

#12

Indlæg af S1m0n »

Ja det skulle jeg mene jeg gjorde. Ihvertfald siger jeg mange tak for hjælpen til alle der har gjort en indsats for at få mig til at forstå :D
Livet er simpelt - Man træffer beslutninger og ser sig ikke tilbage!
Besvar

Tilbage til "DIY - Gør-det-selv"