Jeg har købt mig et større osmoseanlæg, og vil høre om nogen kender til sådan et, og kan hjælpe med et spørgsmål til dette?
Jeg har tegnet et område på det ene billede med rød farve, og det er et lille blåt håndtag, som jeg bare skal vide, om det skal være åbent eller lukket når anlægget kører.?
Er der nogen der ved det.?
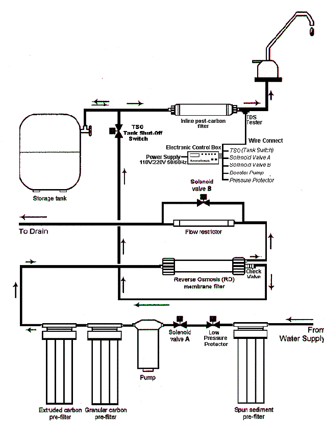
Jeg har også sat en tegning ind, som viser hvordan anlægget skal sættes sammen. Her kan jeg så ikke finde dette blå håndtag?. Er der også nogen der kan sige mig hvor det sidder, iflg. tegningen.?
Med venlig hilsen
Kim.




